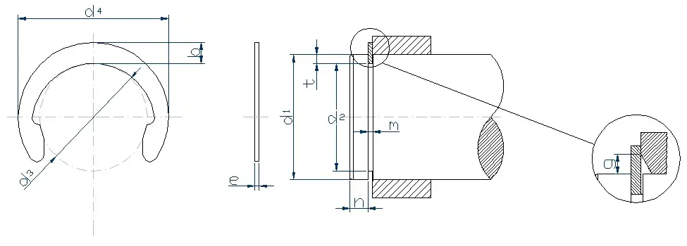
Traba Reten Métrica TRM

La Traba Reten Métrica (TRM) tienen una forma geométrica en forma de C que permite un volumen y un ancho radial mínimo, de modo que son excelentes para aplicaciones donde el espacio a disposición es limitado.


- MATERIAL: SAE 1070 IRAM IAS U 500-179 (Similar C60, C67 y C75 según 17222)
- DUREZA: HRC 46 – 49
| ANILLO | RANURA | DATOS COMPLEMENTARIOS | ||||||||||||||
| d1 | e | d3 | tol. | b | d4 | Peso | d2 | tol. | m mín. | t | d4 montado | n | PN | PR | g | PRg |
| 8 | 0.8 | 6.8 | +/-0.09 | 1.6 | 10.0 | 0.17 | 7.0 | -0.09 | 0.85 | 0.50 | 10.2 | 1.5 | 98 | 220 | 0.8 | 130 |
| 10 | 1.0 | 8.75 | +/-0.09 | 1.7 | 12.15 | 0.26 | 9.0 | -0.09 | 1.10 | 0.50 | 12.4 | 1.5 | 124 | 370 | 1.0 | 200 |
| 12 | 1.0 | 10.55 | +/-0.18 | 1.9 | 14.35 | 0.32 | 10.9 | -0.11 | 1.10 | 0.55 | 14.7 | 1.7 | 165 | 420 | 1.0 | 200 |
DIMENSIONES EN MM.